空调水系统的阻力平衡是保证空调系统正常、有效运行的前提,以较低的能耗获得舒适的室内环境,是暖通设计者比较关心重视的问题。为了达到水系统的阻力平衡,设计师一般尽可能采用同程式水系统,倘若条件不允许时则采用异程式水系统,此时系统可能存在水力平衡失调。当各分区环路采用同程式系统时,各系统环路间也可能存在严重的阻力不平衡而导致水力平衡失调。因此必须通过各种调节手段使系统达到平衡。
近年来,平衡阀因其较为完备的功能和良好的调节性能,正在越受重视和欢迎。许多设计师在设计水系统时倾向于使用平衡阀来进行水力平衡,但笔者发现,在很多工程中,平衡阀的设置不尽合理,设计人员对各种平衡阀的应用场合考虑不周。本文从平衡阀的原理入手介绍在工程实践中如何合理地选择平衡阀及相应的系统形式。
一、平衡阀的工作原理
水力平衡设备可分为静态水力平衡设备和动态水力平衡设备。静态水力平衡设备主要有静态平衡阀,动态水力平衡设备主要有动态流量平衡阀、动态压差控制阀、动态平衡电动二通开关阀、组合式或一体式动态平衡电动调节阀等。
静态平衡阀在水系统中的作用主要是消除静态水力失调、使系统实现静态水力平衡。动态水力平衡设备在水系统中的作用主要是消除动态水力失调,使系统实现动态水力平衡。
1、静态平衡阀
静态平衡阀亦称为手动平衡阀或手动调节阀,是可进行流量测定和调节的调节阀,其操作方式是人工手动调节。该平衡阀原理为可变流量的孔板,并带有关断功能。通过测量阀门前后测量孔的压降,结合阀门开度的读数,便能换算出阀门调节后的流量。静态平衡阀实质上是一个具有明确的“流量-压差-开度”关系、清晰可调的开度指示以及良好调节特性的阻尼调节元件。
2、动态流量平衡阀
动态流量平衡阀亦称自力式流量控制阀、定流量平衡阀等,是一种在阀体前后一定的压差范围内能自动保持管道的流量始终不变的阀门。
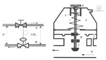
其工作原理:q=kv√△p。通过改变平衡阀的阀芯的过流面积来适应阀门前后压差(如图1所示)的变化,从而达到控制流量的目的。即在一定压差范围内无论阀门入口流量如何变化均可保证其出口流量恒定。它相当于一个局部阻力可变的节流元件,该元件由可变过流面积的阀胆和高精度(±5%)的弹簧及支撑装置构成。弹簧受压差的作用自动控制阀胆上过流面积的大小,从而使通过阀门的流量恒定。流量值的大小可以根据系统要求进行定制。

图1 动态流量平衡阀示意图
3、动态压差控制阀
动态压差控制阀亦称自力式压差控制阀、定压差阀、动态压差平衡阀等,其工作原理:△P=(q/Kv)2。其阀体可设定压差值,通过调整阀门自身的开度,能自动将系统两个关键点之间的压差恒定在设定压差值。动态压差控制阀示例如图2所示。
动态压差控制阀是基于弹簧-隔膜组合的方法进行设计的。弹簧拉动平衡双阀芯“2”打开阀门,压差AB施加在隔膜“3”上,产生一个与弹簧相反的力。压力A通过与测量阀的排水管相连的毛细管传到压差控制阀上;压力B从内部或外部传到隔膜的另外一侧。当压差AB作用在隔膜上的压力大于弹簧力时,阀门开始按比例关小,直到找到一个新的平衡位置。这样,在压差控制阀上产生一个附加压力降,限制了压差△PL(通过二次回路的压差)加大。

图2 动态压差控制阀示意图
4、动态平衡电动二通开关阀
动态平衡电动二通开关阀具有动态平衡和电动开关功能,当阀门开启时,它能动态地将管道的实际流量恒定在设计流量值,并不受系统压力波动的影响。
5、组合式或一体式动态平衡电动调节阀
组合式动态平衡电动调节阀是将动态压差平衡阀与电动调节阀组合,一体式动态平衡电动调节阀是把动态压差平衡阀与电动调节阀集成在一个阀体内。它既具有动态平衡功能,即能动态地平衡系统的压力波动,使流经管道的流量不受系统压力波动的影响,又具有电动调节功能,即能根据目标区域的负荷变化自动地调节开度从而调节流量值,保证目标区域的温度始终恒定在设定温度。
二、平衡阀在水系统中的合理应用
定流量系统是早期的空调工程中常见的水力系统,这里不再阐述平衡阀在定流量系统中的应用。近年来,随着空调系统的大型化及《公共建筑节能设计标准》GB50189-2005的实施,越来越多的空调工程中都采用了变流量系统。
变流量系统是指系统在运行过程中各分支环路的流量随外界负荷的变化而变化。由于空调系统在一年的大部分时间都处于部分负荷运行工况,因此变流量系统大部分时间管道流量都是低于设计流量的。变流量系统一般既存在静态水力失调,又存在动态水力失调,因此必须采取相应的水力平衡措施来实现系统的水力平衡,即采用静态平衡阀实现静态水力平衡,采用动态水力平衡设备实现动态水力平衡。
1、静态平衡阀的应用
变流量系统中静态平衡阀用于系统初步调节。静态平衡阀保证的不是系统中单个管道的流量值,它要维持的是在系统初调试时,通过静态平衡阀的调节作用,使系统中各个管路的流量比值与设计流量的比值一致,这样当系统的总流量等于设计总流量时,各个末端设备及管道的流量也同时达到设计流量即所需的最大流量,系统实现静态水力平衡。静态平衡阀应当分级设置,表1为静态平衡阀在空调系统中的安装位置。
表1 静态平衡阀在空调系统中的安装位置

2、动态流量平衡阀的应用
动态流量平衡阀用于系统中需定流量的管路。在系统中某一需流量恒定的设备的分支管路配置了适当的动态流量平衡阀后,该设备即能运行在设计流量状态。如果并联的外网由于变动而造成压力的变化△P在一定范围内(该阀门有效范围),则不会造成流经该设备流量的变化。由此可见,动态流量平衡阀适合安装在冷冻机房冷热源设备处,一方面可以保证机组在额定状态运行,将流量恒定在设计值,从而保护机组,另一方面提高机组的运行效率,使系统运行的水温正常。表2为动态流量平衡阀在空调系统中的安装位置。
表2 动态流量平衡阀在空调系统中的安装位置

当压力处于设定范围内,流量随压力的变化并不发生变化,当压力在设定范围之外,流量随着压力的增大而增大。
需要强调的是动态流量平衡阀与电动调节阀组合使用是不能实现稳定末端设备流量的。因为末端设备支路上的电动调节阀是根据室温要求来调整开度进而调节流量的,其流量是变化的,而动态流量平衡阀作用是恒定流量,所以动态流量平衡阀和电动调节阀组合使用是错误的。
3、动态压差控制阀的应用
动态压差控制阀的作用一是被控环路出现外扰(网路的压力波动)和内扰(内部管路阻力的改变)时,使被控环路的压差保持恒定;二是各环路间的调节互不干扰,即一个环路的调节对其它环路的流量不产生影响。
大中型空调系统分区分环路设计时,一方面由于工程设计时循环水泵是按最不利环路的阻力来选型的,对近端支路来说,往往扬程偏高,末端支路的调节阀就要承担更大的压差;另一方面各环路之间、各层支路之间压差值可能相差很大,为避免水力平衡失调,在立管或支管上安装压差控制阀可以将立管或支管的压差稳定在合适的范围内,各回路的调节互不干扰,可独立进行平衡。
动态压差控制阀与电动调节阀可配合使用(即组合式动态平衡电动调节阀)。一般电动调节阀的尺寸选择均偏大,造成电动阀大部分时间在较小开度下工作,导致其两端压差增大,不仅使阀的控制不稳定、不精确,而且电动阀的噪声随着压差增大而增大;另外阀全开时将使被控末端设备出现过流。一个简单的解决方法是与电动阀串联一个静态平衡阀,消耗一部分压差,使阀门开度变大,从而将流量限制到设计值。进一步更好的解决办法是,采用动态压差控制阀与静态平衡阀组合设置在电动阀两端,用动态压差控制阀控制电动阀的进出口压差,使之基本恒定,从而避免调节阀阀权度过小影响其调节能力,使调节阀控制的流量恒定。外网的压力波动和末端设备的压降变化,均由动态压差控制阀吸收。表3为动态压差控制阀在空调系统中的安装位置。
表3 动态压差控制阀在空调系统中的安装位置

4、平衡阀应用于末端设备
动态平衡电动二通开关阀主要应用于风机盘管处,一方面,它具有传统电动开关阀的电动开关功能;另一方面,它又能在阀门开启时将流量始终恒定在风机盘管的设计流量。
组合式或一体式动态平衡电动调节阀主要应用于空调箱、空气处理机组和新风机组处。
5、变流量系统中平衡阀应用系统形式
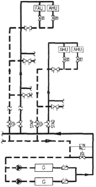
①末端设备使用动态平衡电动二通开关阀及一体式或组合式动态平衡电动调节阀(图3)


图3 平衡阀应用于变流量空调水系统形式一
通过分级设置静态平衡阀,使系统初调试时,各个末端装置获得设计流量,实现静态水力平衡;通过设置动态水力平衡设备,使系统在运行过程中各个末端设备的流量同时达到系统瞬时负荷要求流量,且这些流量之间的调节不互相干扰,从而实现动态水力平衡。
这种系统优点是控制稳定精确;由于末端流量实时满足要求,系统会获得自动的平衡,不需要其它平衡过程;维修时影响的范围小,某一末端设备的关断不影响其它设备的正常使用。缺点是初投资较高。对于一些需要精确控制温度的场所,如计算机房、医院手术室、工业厂房等建筑,可以采用这种方案。
②动态压差控制阀与静态平衡阀组合使用(图4,5)


图4 平衡阀应用于变流量空调水系统型式二


图5 平衡阀应用于变流量空调水系统形式三
当系统水平面积较大时,可在支路上划分更小的支路,如图4中的A支路,在小支路上设置压差控制阀以提高系统控制的灵敏度;当连接支路的末端设备较少时,宜在立管上设置压差控制阀以提高经济性(如图5)。这两种系统优点是舒适性较好,减小电动调节阀的噪声,简化了平衡与调试工作,试运行能分阶段直接进行,而且初投资较低。对于大型商场、写字楼、高级公寓或酒店等建筑,并不是所有楼层都能同时卖完或出租出去,将动态压差控制阀设置在支路上,稳定支路上的压差,支路之间不需要进行平衡,因此,空调系统可以分层分段投入使用,而且新支路的加入不会影响其它已经运行的支路。
三、平衡阀安装注意事项
1、为使平衡阀前后的水流稳定,保证测量精度,平衡阀应安装在直管段上,即平衡阀前后各至少有5倍和2倍管径长的直管管段。若平衡阀设在水泵的出口管段上,阀前则需有10倍管径长的直管段。
2、安装过程中,保证阀体箭头所示的方向与实际水流方向一致,切忌安装方向相反。
3、平衡阀的手柄和测压小孔应调整到面向检修侧,以便于操作和检修。
4、在整个空调水系统调试完毕后,必须做好平衡阀的保温。
四、结论
空调水系统的根本水力平衡在于管网系统的设计组织,要通过计算使其处于基本的平衡状态,而不要因使用某些装置(如平衡阀)而忽略这个基本工作。
平衡阀的应用为空调水系统的平衡提供了一种解决方案。各种平衡阀原理不同,作用也不同。静态平衡阀一旦设定,相当于局部阻力不会发生变化的节流元件,其控制对象为系统的阻力,开度的变化引起阻力的变化,进而达到调节流量的目的,静态平衡阀的调节可以保证各支路间的流量分配更加合理。压差控制阀控制的对象为系统的压力,当供回水管压力增大或减小时,控制阀门相应关闭或开启,以保持差压的稳定,动态压差控制阀可将管路系统分成若干个相对独立的区域,区域间互不影响。动态流量平衡阀相当于局部阻力可以发生变化的节流元件,其控制对象为系统的流量,当压力处于设定范围内,流量随压力的变化并不发生变化,动态流量平衡阀可用于需定水量的支路,避免其他支路流量变化时对其的影响。
只有正确合理的应用,才能有效的解决水力失调问题,确保空调水系统高效合理的运行。在工程设计中,我们应当根据工程项目的投资、规模及系统精度要求,在满足设计规范要求的前提下,合理的选择水力平衡设备和系统形式,为建设方节约资金。
