帮助中心
联系我们
意见建议
设为首页
发布信息
登录
咨询热线:13271923998
调节阀专业交流平台
首页
供应
求购
产品库
公司库
资讯
论文
资料
行业业绩
产品报价
论坛
请输入关键字:
资讯
商机
产品
资料
论文
业绩
企业
热门关键字:
调节阀
电动调节阀
气动调节阀
如何注册?
注册会员后有什么好处?
如何增加信息的曝光度?
调节阀论文:
术语解释
|
历程及标准
|
选型计算
|
调节阀设计
|
调节阀材料
|
调节阀应用
|
执行机构
|
配套附件
|
故障维护
|
其它
|
您当前位置:
调节阀网
>>
调节阀论文
>>
配套附件
>>气动继动器有哪些常见的使用方案?
气动继动器有哪些常见的使用方案?
发布时间:2010-02-10 点击数:5174
气动继动器
的使用可以有多种方案。
方案1:调节器输出信号与继动器信号端连接,继动器输出端与
气动执行机构
连接,继动器的气源来自空气过滤
减压阀
。
方案2:继动器的信号端连接
调节阀
定位器
,其他两个接口与方案1相同。
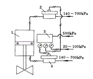
方案3:如果活塞式
执行机构
具有双向输入压力信号,必须配用两个继动器,由双动的
阀门
定位器输出分别供给两个继动器的控制信号,如图8-34所示。
图8-34 用两个继动器进行控制
1-活塞式执行机构;2,4-继动器;3-阀门定位器
上一篇:
气动继动器的结构和动作原理怎样?
下一篇:
阀位控制器的作用是什么?
相关信息
电磁阀在实际应用中的一点认识
阀位传送器的作用是什么?
空气安全阀与空气过滤减压器如何组
电磁阀的可靠性和经济性分析
西门子智能型定位器在鸭河口电厂的
定位器在气动、电动仪表的复合调节
浅议EPA阀门定位器通信卡的软硬件
ZPZD3100型智能阀门定位器的结构原
热门点击
什么是液压缸差动连接?其活塞运动
调节阀流量系数CV值的来历与计算方
调节阀的流量特性是什么?
阀门定位器如何实现正反作用及行程
流体在管道中流动伯努利方程是如何
浅议阀座精加工的难点与刀具设计
提高气动调节仪表放大器排气量的改
适用于恶劣工况SLV刀闸阀结构特点
最新信息
气动调节阀常用配件电气阀门定位器
浅议智能阀门定位器控制策略的研究
调节阀定位器应用原则分析与滞后和
智能电气阀门定位器软件硬件开发关
SFD-5002/5003型信号操作器详解
Neles NE724 电气阀门定位器的使用
SFD-1002/1003型操作器解析
浅析SFD-2002/2003型伺服操作器
调节阀分类
直行程调节阀
角行程调节阀
特殊调节阀
自力式调节阀
执行机构
配套附件
阀门
最新商机
ASCO电磁阀
ZZWP自力式温度调节阀
ZSPQ气动活塞式切断阀
BQ71F对夹式保温球阀
H104X活塞式可调减压稳压阀
HLC小口径笼式单座调节阀
扬州电动单座调节阀ZAJP-16
扬州纬沃直行程电子式调节型
推荐产品
导热油电动三通调节阀
上海铠沃阀门 气动硬密封蝶
电动阀门控制箱,DKX-ZG,K
HCN气动低噪音笼式调节阀
随机推荐
气缸式排气阀在输水管线中的
调节阀维护方法"预防性维护
电动执行器中固态继电器的应
浅议先导式套筒调节阀的流体
在线选型—ZDRW(Wa)、ZKJ
智能电—气阀门定位器在组态
调节阀安装中法兰与其它附件
高温调节阀如何防止阀轴因热
调节阀资料
HPC平衡式中高压笼式调节阀
ZPQ系列气动调节阀定位器说
汉德HD系列电子式电动执行器
DHl系列电动执行机构
金锋仪表CV3000调节阀说明书
德国ABBTZID/TZID-C智能阀门
韩国PG-EPL定位器电子选型样
如何正确选用调节阀
我们的综旨:将调节阀网—打造为
调节阀
行业一流的信息交流平台,更多
电动调节阀
、
气动调节阀
资讯尽在调节阀网!
调节阀网
版权所有 2017-2027 | 服务热线:13271923998 |
| 请与我们联系:
master@ocpv.net
QQ交流群:245324792
备案号:
渝ICP备17003261号-2