近几年来,
液控蝶阀由于具有动作可靠、快速等特点越来越受到电力企业的青睐,尤其在电厂里得到了广泛的应用。华电滕州新源热电有限责任公司1号机组的循环水泵出口门选用的就是铁岭
蝶阀厂生产的失电关闭型液控蝶阀,这种蝶阀在正常情况下运行效果良好,动作迅速、准确。但在一些特殊情况下存在着一些隐患,容易导致事故的发生。
一、蝶阀的控制原理
蝶阀的控制原理如图1、2、3所示。

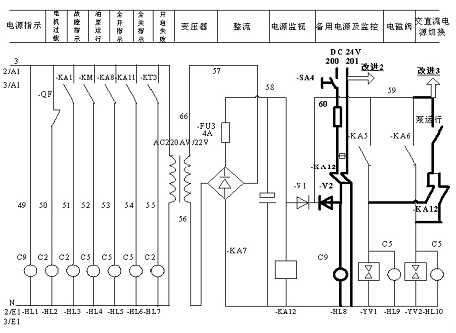
图1 循环水出口蝶阀控制原理

图2 循环水出口蝶阀控制原理

图3 循环水出口蝶阀控制原理
图1、图2、图3是液控蝶阀的主要控制原理图,图中所画得粗线部分为修改部分,细线为原图。
在图1中,左半部分为油泵电机的控制回路。回路送电后,先给油泵电机送电,再通过开关-SA1和-QF给后面控制回路的供电,其中-SA1为电源开关,-QF是油泵电机过载信号。后面的开关-SA2为油压低联启泵的联锁开关,-SA2投入后,当液压低于14.5Mpa时,开关-SP会自动闭合,线圈-KM也会闭合,油泵电机会联锁启动,同时-KT1闭合,发出“液压低:报警信号。
图1的右半部分表示的是操作员对
调节阀的操作。开关-SA3-1和-SA3-2是
阀门“远方/就地”的切换开关,当在就地操作时,开关打到“就地”位,开关的左边闭合,当通过DCS操作时,开关打到"远方"位,开关的右边闭合。通常情况为右边闭合,阀门接收集控室发出的信号并执行。当操作员开阀时,线圈-KA2闭合,关阀时,线圈-KA3闭合。
图2中,最左侧表示的是操作员对阀门停的操作。开关-SA3-3也为阀门的“远方/就地”切换开关,当操作员停阀时,线圈-KA4闭合。图2余图和图3表示地是操作员发出指令后,阀门如何接受并执行命令的过程:当阀门收到开指令时,线圈-KA5和-KA6闭合并自保持,两个
电磁阀就会(图3中)同时带电,蝶阀开始动作直到全开。当阀门收到关指令时,线圈-KA5和-KA6同时断开,两个电磁阀都失电,蝶阀开始动作直到关闭。这种蝶阀带中间停的功能,在蝶阀开或关的过程中,当阀门收到停指令时,线圈-KA5闭合,-KA6则断开,导致图三中左边的电磁阀带电,右边的电磁阀失电,蝶阀就停在了中间位置。在蝶阀开、关的过程中,有一些反馈信号来显示阀门的状态:15度位、75度位、开到位、关到位。
在图3中还标识了一路“备用电源及监控”,但现场并没有这路电源。
二、控制回路设计不合理的原因分析
1、从图1中可以知道蝶阀的控制回路与油泵电机的控制回路同用一路电源,并由开关-SA1和-QF控制,-QF为油泵电机过载信号,一旦油泵电机过载,-QF就自动跳开,将导致整个蝶阀控制回路电源失去。一旦蝶阀控制回路电源失去,它的两个电磁阀也就会失电,蝶阀就会自动关闭。
循环水泵出口蝶阀一旦关闭,将导致循环水泵跳闸、机组停机,直接影响着机组的安全生产。而在机组正常运行时蝶阀一般在全开位,这时蝶阀和油泵电机的关系就不是很大了,而且在生产中发现油泵电机出现故障的几率是比较高的,原因也是多方面的,所以没有必要在油泵电机发生故障后,就立即关闭蝶阀。应该在油泵发生故障时做报警反映给监控人员,监控人员及时进行处理即可。
2、在原设计中,蝶阀的控制电源只从电气400V接过来一路,没有备用电源,所以一旦电气400V侧因故障失电时,蝶阀也将自动关闭,这对机组运行也是不利的。
三、改进措施
根据以上的分析,对蝶阀的控制回路进行了一系列改进,并增加了蝶阀的电源监测功能到DCS,对以后机组的安全运行起到了很好的效果。
1、控制回路改进
对控制回路有三处改进,改进部分在原理图中用粗线标明。
首先用导线把-QF开关短接,使蝶阀的控制电源不再受“油泵电机过载”的控制,这样当油泵电机发生故障时,蝶阀的控制电源不会消失,电磁阀也就不会失电,蝶阀也就不会关闭。见循环水出口蝶阀控制原理图1中的改进1处。
其次增加一路备用电源,备用电源由电气UPS直接提供,以保证供电的可靠性,备用电源经过变压器变成24VDC电源直接供给蝶阀的两个控制电磁阀,这样当蝶阀控制回路的电源丢失时,电磁阀仍然带电,不会关闭。见循环水出口蝶阀控制原理图3中的改进2处。
再者在备用电源的控制回路中增加“循环水泵运行”信号,即当循环水泵正常运行时,即使蝶阀的控制电源丢失,在备用电源投入时电磁阀也会带电,不会关闭,起到双保险的作用。当循环水泵需要停下时,蝶阀在备用电源投入的状态下也会随着一起关闭。见循环水出口蝶阀控制原理图3中的改进3处。
2、增加DCS报警功能
原设计中油泵故障报警和蝶阀控制回路的电源和备用电源消失报警功能没有进入DCS,这样很不利于快速的发现问题和处理问题。所以在改造中增加了这些报警功能到DCS,并可在画面上直接显示出来。这样一旦出现报警,运行人员会马上得到信息并组织人员进行处理,大大节省了时间,对机组的安全运行也非常有利。
四、应用效果
改进后经过试验完全达到了技术要求。在以后的生产运行中,液控蝶阀的运行非常稳定,完全消除了因蝶阀运行不可靠而造成对机组安全运行的影响。