近年来,由于电子技术的发展国外多家公司推出了智能
调节阀定位器,因为其精度高、可靠性好、抗震性好、调试方便、
流量特性可以在线修改,可远程通讯等优越性能深受用户的青睐。所以智能
阀门定位器取代传统机械式的定位器已经成为一种趋势。由于阀门控制信号的采样精度对定位器的控制精度有着很大的影响,因此,采样电路的设计显得尤为重要。
一、供电电源
供电电源的设计如图1所示。

图1
J11:4~20mA信号的输入端口。L11、L12:电流滤波电感,因为输入信号为传感器的微电流信号,所以取值为0.015mH。
R11、R12、R112、R113:桥式分压器电路。
Z15:高精度稳压管为5.6V/1W,经过测试当流过稳压管的电流为80μA时稳压管能提供稳定的电压,经过D11二极管后提供稳定的5V电压。
C16、C17、C11:滤波电容。
TPS7230:TI公司的低功耗器件,输出偏差小于40mV,180μA的静态电流,睡眠状态下电流小到1μA,输出电流范围宽,可以从50μA~100mA,能为单片机提供稳定的3V电压,完全能满足要求。
R14:取样电阻。由于传感器输入信号为4~20mA,远程hart通讯要求电流为3.5mA,所以整个供电系统要求3.5mA能正常工作,稳压管上消耗电流为0.1mA,其他的电流消耗基本上可以忽略不计,所以供电电源模块在4mA的情况下,可以通过最大的负载电流为3.4mA,由于所有器件都采用超低功耗器件,所以不必计算系统的功耗。而且R14取样电阻上的电流基本上等于输入电流,实际上输入电流的变化就反应在R14的电压变化上,也就是说(u1-u2)的变化就反应了输入电流的变化,完成了对输入电流的取样功能。
为了保证电路受温度影响较小,以上电阻都采用金属膜电阻,精度在0.5%以内,同时还要保证R11对R112为精确的2倍关系,R12对R113为精确的2倍关系,否则可能导致采样信号较大的误差。
二、输入采样电路
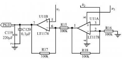
由于本系统在传感器信号范围(4~20mA)内能正常工作,因此必须设计电路能把外部的传感器信号采集给单片机,也就是把传感器信号转变成为电压信号,送单片机A/D采样口,完成对输入信号的采样,如图2所示。

图2
u1,u2由电源模块部分的分压电路引出(引出点已经标注在图1上),同时为了保证低功耗,尽量减少非线性,采用了LT1178运算放大器,此运放形成减法电路,保证了输出端能精确的反应输入电流的变化,完成输入电流的采样,计算过程如下:

假设运放端口的电压分别为U
5,U
6,U
7,U
3,U
2,U
1,则:

上边的等式整理后得到:

其中:a=R
15/R
17,b=R
11/R
112,c=R
18/R
16,d=R
12/R
113 下边分两种情况讨论由于电阻的不匹配而引起的误差(假设电阻精度0.5%):
(1)假设电源模块中,电桥电压保证严格的比例关系,则有b=d=2,代入到U
7中则有

由电阻的精确度可知道a的范围[0.99 1.01],同理c的范围也为[0.99 1.01],所以在a与c同方向变化的情况下用matlab仿真的曲线如图3所示(3维坐标图型,a为横坐标,c为纵坐标,t4为竖坐标,U
7=t
4)。

图3
由图可知当电流在4mA,采样值随着电阻的精度变化而变化,当a与c同方向变化时,采样值在728到736之间。
当a与c反方向变化时仿真曲线如图4所示(U
7=t
4)。

图4
电流在4mA时,采样值变化方向与上图相反,在600到800之间变化。
假设a=c=1,也就是运放的电阻精确匹配时,经过验证,图像和图3,图4类似,这里不再重复。
电流为4mA产生的误差为线性误差。当电流从4mA变化到20mA,b=d=2时,在a与c成反方向变化的情况下所得到采样值与理想电阻时的采样值的差作为竖坐标,得到一组直线束,如图5。由图5可以看出,不同电流所得到的直线基本上可以认为是平行的关系。

图5
由此可以得出结论:电路的采样误差可以用软件进行线性补偿。
三、实验数据
为了验证仿真结果,随即抽取一块样板,实际补偿是以4mA到12mA直线补偿,和12mA到20mA直线补偿,补偿后如表1。
表1 输入电流的采样误差分析

由表1可以看出,补偿后精度很高,由于采样A/D是12位的芯片,精度为(2-(-2))/4096=0.00978,完全满足设计需求。采样值修正前与修正后与理论值偏差相对采样电流曲线如图6所示。

图6
四、结论
由于智能阀门定位器的精度不是单一由硬件问题产生的,它是一个综合型的问题,同时又与软件的编写也息息相关,但是保证信号采样精度是前提,只有做好了这一步阀门的控制精度才会有保证。