石油化工工业的生产流程复杂,而且在生产过程中使用的原材料半成品、成品以及各种辅助材料大都是易燃易爆物质,极易引发火灾和爆炸事故。而用在某些易失火工况的阀门,由于存在发生火灾的潜在危险,往往对其进行特殊的设计,使调节阀在遭受一定时间的火烧后仍具有一定的密封性能及操作性能。在衡量阀门的耐火性能方面,耐火试验是验证阀门的重要手段。国内外一直对石油化工行业用阀门的耐火试验非常重视,并制定了相关的标准。
一、试验标准
根据不同的使用场合和产品功能,阀门耐火试验标准也各不相同,如美国石油学会制定了针对软阀座1/4转阀门的标准ANSI/API607-2005,针对管线阀门和井口装置的标准API6FA-1999,以及针对止回阀的标准API6FD-1995,国际标准化组织制定了针对各种阀门耐火试验的标准ISO10497-2004,我国也制定了针对各种阀门耐火试验系统及方法要求的标准JB/T6899-1993。
二、试验要求
1、通用要求
阀门耐火试验标准尽管对各种阀门的试验要求不尽相同,但通用总体要求基本一致。除止回阀外,一般要求是将被测阀门阀杆以水平位置安装在试验管道上,被测阀门处于关闭状态。管道及被测阀门体腔内充满水并使系统内的水压达到标准规定值,点燃气体燃料并保证被测阀门完全被火包围,阀体周围的火焰温度及阀体各部位的温度在一定时间内达到标准要求,在温度满足要求的情况下持续燃烧30min,检查火烧期间阀门的内、外泄漏及火烧结束冷却后阀门的内、外泄漏。
2、试验装置
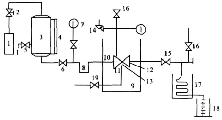
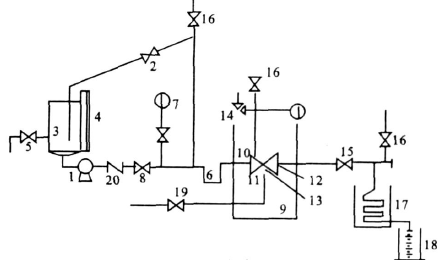
耐火试验用压力源有压缩空气和泵两种。典型的耐火试验装置如图1所示。

(a)用压缩空气做为压力源的试验系统

(b)用泵做为压力源的试验系统
1 压力源 2 压力调节器 3 贮水容器 4 水位计 5 供水阀 6 截止阀 7 压力表 8 阻气管
9 试验箱 10 试验阀 11 燃气喷嘴 12 测温块 13 热电偶 14 压力表及泄放阀 15 截止阀
16 排气阀 17 冷凝器 18 计量容器 19 燃料供给阀 20 止回阀
图1 试验装置
3、试验项目
阀门耐火试验主要的泄漏指标及操作要求有火烧期间内泄漏、火烧期间外泄漏、冷却后低压试验及操作试验等。
(1)火烧期间内泄漏
火烧期间的内泄漏是指在规定试验压力下火烧期间通过阀座的泄漏。对于软密封阀座的阀门,火烧过程中由于温度升高导致软密封阀座软化甚至完全熔化,在阀座变形及熔化过程中阀门容易出现内泄漏。若软密封阀座完全熔化后的硬密封阀座不能达到完好的密封,阀门的内泄漏可能会在整个火烧期间持续。硬密封阀座阀门的内泄漏量一般较小。
(2)火烧期间外泄漏
火烧期间的外泄漏是指在规定试验压力下火烧期间通过阀体法兰连接处、螺纹连接处以及阀杆密封处等的泄漏。火烧过程中,由于阀门壳体、内件以及紧固件等的受热变形会导致阀体中法兰连接处、阀体螺纹连接处以及阀杆填料处等位置有出现外泄漏的可能。另外在火烧过程中积存在阀门中腔的水因为温度的升高而汽化会出现压力上升现象,在压力泄放阀还未泄压的情况下各潜在外泄漏处有可能出现外泄漏现象,严重的甚至导致火烧试验无法继续进行。
(3)冷却后低压试验
冷却后低压试验是火烧结束阀门强制冷却后,在标准规定的低压试验压力下测得的阀门内泄漏和外泄漏。标准一般要求试验阀门压力级大于Class600的不做低压试验。经过火烧及强制冷却过程,阀门的各部件因骤热骤冷可能会出现变形,从而容易在冷却后出现内泄漏及外泄漏突然增大的现象。
(4)操作试验
操作试验是阀门在标准规定的高压试验压力下操作阀门,阀门从全关达到半开或全开位置,排净管道内的蒸汽使管道内充满水,然后封闭下游管路并在标准规定的高压试验压力下测量阀门的外泄漏。止回阀的操作试验是通过调节试验阀门的进、出口端的压力使阀瓣动作后,排净管道内的蒸汽并让管道内充满水,封闭出口端管路并在标准规定的高压试验压力下测量阀门的外泄漏。
阀门经过火烧、冷却和高压试验压力下操作后,在阀门整体承受试验压力的情况下,阀门装配的各连接部位容易出现外泄漏。外泄漏与各连接处密封垫片的选用、工艺尺寸、紧固螺栓的选用,阀杆填料的选用及结构等有关。
三、结果评定
耐火试验标准要求试验合格的阀门样品可以覆盖评定相同结构的其他阀门。覆盖评定原则一般为相同结构的阀门样品可以覆盖评定大于试验阀门样品公称尺寸和压力级不超过其两倍公称尺寸和压力级的其他阀门。
1、尺寸覆盖评定原则
尺寸覆盖评定原则一般为试验合格阀门可以覆盖评定结构与试验阀门相同,公称尺寸大于试验阀门且不大于其两倍的其他阀门。其中API6FA-1999、API6FD-1995和JB/T6899-1993规定,公称尺寸为DN400(NPS16)的试验阀门,可以覆盖评定所有公称尺寸大于DN400(NPS16)的其他阀门。
ANSI/API607-2005、ISO10497-2004规定,公称尺寸为DN200(NPS8)的试验阀门可以覆盖评定所有公称尺寸大于DN200(NPS8)的其他阀门。公称尺寸为DN50(NPS2)的试验阀门可以覆盖评定所有公称尺寸不大于DN100(NPS4)的其他阀门。
2、压力覆盖评定原则
压力覆盖评定原则一般为试验合格阀门可以覆盖评定结构与试验阀门相同,压力级大于试验阀门且不大于其两倍的其他阀门。其中除API6FA-1999和API6FD-1995中针对井口装置产品的覆盖评定最高压力为20000psi,其他各标准的覆盖评定的最高压力为Class2500(PN420)。
3、材料的覆盖评定原则
除尺寸和压力覆盖评定外ANSI/API607-2005和ISO10497-2004还规定了承压件、承压螺栓以及非金属密封材料等的评定原则。
(1)试验阀门壳体承压材料为铁素体材料、奥氏体材料或双相体材料的可以覆盖评定同类别的其他材料,铁素体在试验各方认可条件下原则上可以覆盖评定奥氏体材料和双相体材料。
(2)试验阀门承压用合金钢螺栓在试验各方认可条件下原则上可以覆盖评定奥氏体钢螺栓,但承压用奥氏体钢螺栓不能覆盖评定合金钢螺栓。
(3)密封处用的填充聚四氟乙烯材料与非填充聚四氟乙烯材料可以互相覆盖评定。
四、试验中常出现的问题
通过对几百台不同阀门耐火试验分析,总结了几种产品普遍存在的问题(表1)。
表1 阀门耐火试验中常见的问题
| 品种 | 火烧期间 | 低压试验 | 操作试验 | 其他 | |
| 球阀 | 浮动球球阀 | 软密封阀座内泄漏、外泄漏都可能出现,有火烧期间阀门中口法兰及阀杆处泄漏的可能,硬密封阀座内泄漏一般较小 | 冷却后低压试验可能出现内泄漏增大的现象 | 操作后的外泄漏易超标,泄漏位置一般为阀体法兰连接处及阀杆处 | |
| 固定球球阀 | 软密封阀座内泄漏、外泄漏都可能出现,有火烧期间阀门中口法兰、阀杆及球体支撑轴处有泄漏的可能,硬密封阀座内泄漏一般较小 | 冷却后低压试验可能会出现内泄漏增大现象 | 操作后的外泄漏试验泄漏量易超标,泄漏位置一般为阀体中口法兰、阀杆以及球体支撑轴处 | 固定球结构的球阀属于上游密封型的,燃烧期间的内泄漏应扣除阀体中腔内的存积水量 | |
| 全焊接球阀 | 内泄漏易出现,外泄漏在阀杆处有可能出现 | 可能会出现内泄漏增大现象 | 外泄漏一般较小,只有阀杆处可能出现外泄漏 | — | |
| 平板闸阀 | 内泄漏相对其他产品较小,外泄漏在阀体连接处或阀杆处都有可能出现 | 内泄漏一般较小 | 操作后在阀体连接、阀杆及排污孔处易出现外泄漏 | — | |
| 旋塞阀 | 软密封阀门内泄漏很大,不能很好保证,硬密封阀门内泄漏较小 | 冷却后低压试验软密封阀门内泄漏一般较大,硬密封阀门内泄漏一般较小 | 操作后的外泄漏试验泄漏量易超标,泄漏位置一般为阀体法兰连接处及阀杆处 | — | |
| 蝶阀 | 内泄漏相对其他产品易出现,外泄漏在阀杆处有可能出现 | 冷却后低压试验内泄漏易出现 | 操作后在阀杆及支撑轴处易出现外泄漏 | — | |
| 截止阀 | 内泄漏相对其他产品较小,外泄漏在阀体连接处或阀杆处都有可能出现 | 内泄漏一般较小 | 操作后的外泄漏试验泄漏量易超标,泄漏位置一般为阀体法兰连接处及阀杆处 | — | |
| 止回阀 | 内泄漏相对其他产品易出现,外泄漏在阀体与阀盖连接处有可能出现 | 冷却后低压试验内泄漏易出现 | 操作后的外泄漏试验泄漏量易超标,泄漏位置通常为阀体与阀盖连接处 | — | |
五、结论
阀门的耐火试验是模拟阀门在火灾环境下的试验,它能真实有效的反映出试验阀门的耐火性能,对研究阀门的耐火结构以及考核阀门的耐火性能等都具有重要意义。
