检测仪表、DCS控制系统、执行器三类工业自动化仪表的技术水平已成为流程工业发展的决定性因素之一,并深刻地影响着生产的质量、效率、安全和环保等。以
控制阀和
执行机构为主体、以
定位器为核心控制部件的执行器,通过调节介质流量来控制工艺参数,是整个自动化系统中必备且重要的终端执行仪表,其对控制系统调节品质的优劣、安全平稳运行具有很大的影响。
执行器安装在生产现场,由于高温、高压/高压差、振动、腐蚀性或在有悬浮颗粒或纤维介质的环境下工作,执行器各部件会出现故障,这可能会导致出现有毒介质泄漏等严重安全事故、或不动作导致停产等生产事故,所以执行器设备故障在线诊断对整个自动化控制系统的可靠性非常重要。而故障诊断由于不能安装在线检测传感器,主要依据执行器的动态特性分析。
本文研究了基于流体力学和热力学原理建立的描述执行器气动定位系统动态特性的数学模型,并通过模型计算以及实测获得故障残差,实现故障检测,进一步通过对残差的分析,进行故障分离。
一、建立执行器气动定位系统数学模型
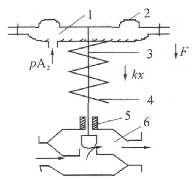
执行器结构示意如图1所示。为简化建模过程,作如下假设:所用工作介质为理想气体,满足理想气体状态方程;薄膜气室与外界没有泄漏;气体在流过阀口的流动状态为一元等熵过程;忽略气体温度对流动过程的影响;气源压力和大气压力恒定;薄膜气室内气体压力和温度处处相等。

1-薄膜气室;2-波纹膜片;3-推杆;4-压缩弹簧;5-填料函;6-阀体
图1 气动执行器结构示意图
1、定位器
定位器中的电/气转换部分实现了压缩空气气体流量的控制,其流体过程比较复杂,可用文献[2]公式计算。
目前广泛采用基于预控压电阀原理的智能型的电气
调节阀定位器,来实现电/气转换和闭环定位控制。压电阀的控制是脉宽调制控制方式(PWM),利用一定频率的脉冲控制开关阀的开和关来调节脉冲的占空比,其宏观效果(时间平均)相当于改变导向阀的开口面积,使得开关阀在PWM信号控制时,其输出具有比例阀的特性。因此当PWM占空比为d时,阀的有效面积可以表示为:S=S
0•d。
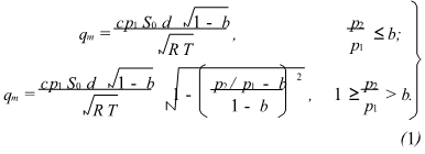
因此,通过PWM方式控制的定位器实际输出的压缩空气气体质量流量为

式中:
c为
流量系数,p
1为压缩空气源压力(即气源设定压力),p
2为薄膜气室的压力,T为管道的热力学温度,b为临界压力比,R为气体常数,S
0为阀的全开开口面积,d为PWM占空比。
2、薄膜气室
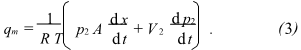
在充气过程中,薄膜气室只有气体流入没有气体流出。根据热力学第一定律和理想气体状态方程可得质量、容积、压强三者的变化关系;根据质量守恒定律,流入的质量流量等于薄膜气室内的质量变化率。因此,薄膜气室的气体质量流量可以表示为

考虑到薄膜气室可近似为一个圆柱,即V
2=V
0+A
x,就有

式中:
x为推杆位移,A为膜片有效面积,V
0为薄膜气室初始体积,V
2为薄膜气室体积,T为管道热力学温度,R为气体常数。
3、执行机构
根据牛顿第二定律,可建立起执行机构的动力学方程为

式中:
m为推杆组件的质量,x为推杆位移,k为弹簧刚度,F为弹簧预紧力与动摩擦力之和。
二、故障的检测与分离
1、主要的故障描述
阀体阻塞:在故障发生后,执行器阀杆会运动到某一特定位移,然后因为机械故障而被卡死在这一位置不能移动。包括阀体内介质沉淀或凝结堵塞、阀体内异物滞留堵塞、阀芯阀座因锈蚀等原因卡死、填料函密封损坏、阀杆严重变形等导致的阀杆运动卡死。
填料函磨擦力增大:在故障发生后,阀杆的运动受阻力增大,运动不畅通。包括阀体或轴衬部件老化或锈蚀、阀杆锈蚀、填料函密封泄漏和老化、运动部位渗入杂质、阀杆变形等。
薄膜或气路接头破损:对薄膜式
气动执行机构来说,膜片是最重要的元件,当金属接触面的表面有尖角、毛刺等缺陷时就会把膜片扎破而造成泄漏;另外,膜片使用时间过长,材料老化也会在使用或受力时破损。活塞式气动执行机构的活塞产生驱动力,因此活塞的损坏、磨损是绝对不允许的。接气管老化破损、接头松脱导致气路漏气等。
气源压力下降:气源供气压力下降、供气管路老化破损或接头松脱、附带的安全
减压阀故障等均可导致定位器气源压力不足。
弹簧老化:弹簧材料性能老化刚度变化、过度形变不能恢复原位、多弹簧位置错位或倒置、个别弹簧断裂等。
定位器部件故障:涉及电气转换部件故障如压电导向阀、控制电路故障、阀位测量与反馈机构故障等。
2、残差的检测
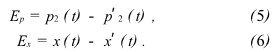
配置的智能定位器可以在线实时检测到气源压力p′1、薄膜气室压力p′2、阀杆位移即阀位x′,同时根据输出的PWM控制信号的占空比d,可以依据前述建立起的执行器气动定位系统模型(1)~(3)计算得到薄膜气室压力p2(t)、阀位x(t)的理论计算值。由此,定义残差:

在执行器正常工作情况下,残差E
p、E
x应近似为零;当执行器发生前述故障时,会引起薄膜气室压力和阀位的实测值偏离理论计算值,从而出现异常产生残差E
p、E
x。
在一段时间内,如果存在|E
p|≥p和(或者)|E
x|≥x,其中,p、x为残差域值,则表明执行器发生了某种故障,这样就可以通过残差计算实现故障发生的检测,通过检测这种变化就可以检测故障。
3、故障的分离
进一步,根据故障的特点,通过对残差的分析以及一些辅助分析可以进行故障的分离,即判断具体发生的是哪种类型的故障。经过分析,得到故障与残差的关系见表1。
表1 执行器故障与残差的关系表

比如,当发生阀体阻塞故障或填料函磨擦力增大故障时,由于阀杆运动受阻,x′小于计算值x,从而引起薄膜气室体积变化比理论计算值要小,使得薄膜气室实测压力p′2上升,从而大于理论计算值p2,因而就有Ep<-p、Ex>x;同时,当发生阀体阻塞故障时,x′基本不变化,但当发生填料函磨擦力增大故障时则不然。
三、实验结论
采用吴忠仪表公司生产的ECOTROL系列MF2R-16B多弹簧气动薄膜执行机构以及西门子公司生产的SIPART PS2智能电气
阀门定位器(经改造在开环状态下工作,仅相当于电气
转换器)进行实验,模型计算参数如表2所示。表2中的压力均为绝对压力,参数V0是根据开始阶段的等容充气的模型计算得到,参数F可以根据在弹簧范围内推杆的动态平衡状态计算得到,S
0、k是通过粒子群算法辨识得到,其他参数是由设备和环境工艺数据计算得到。
表2 理论模型计算用参数

针对所建的模型(1)~(3)和表2的参数,通过Matlab编程,采用四阶龙格库塔法解非线性微分方程组(其中,认为当位移为0.3mm时匀速运动开始,阀杆全行程范围为0.30~32.75mm)。
阀杆位移和薄膜气室内压力计算与实验实测结果如图2~5所示。其中,PWM脉冲周期为100ms,占空比d分别取100%、90%、80%,曲线3为模型理论计算结果,曲线2为正常工作时实测数据,曲线1为在τ时刻引入人为制造故障(图体中标明故障情形)时实际运行测试数据,曲线4为相应的计算残差。

图2 阀体阻塞故障曲线(d=100%,卡死阀杆)

图3 薄膜破损故障曲线(d=90%,转移气体)

图4 气源压力下降故障曲线(d=80%,气源压力下调到4)
4 结语

图5 弹簧老化故障曲线(d=90%,更换弹簧刚度降低到1.3)
本文提出了一种基于执行器机理模型的故障诊断方法。在基于流体力学和热力学原理的基础上建立了描述执行器气动定位系统动态特性的数学模型。通过模型计算以及实测获得故障残差实现故障检测,并进一步根据故障的特点通过对残差的分析,完成故障的分离。实验结果表明:残差在不同的故障发生时的表现不同,证明了所建模型和故障诊断方法的有效性。